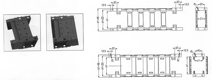
Серия TZ

Защита кабеля обеспечивает беспроблемную работу целого рядов машин и механизмов. И если ранее в качестве этой защиты выступали металлы, то сегодня им на смену пришли полимерные технологии, которые сделали защиту не только легче, но и дешевле в плане производства. В уместности использования защиты кабеля сомневаться не приходится, ведь любой промышленный механизм имеет в своем составе гибкие кабели, которые, как подтверждает практика, систематически подвергаются механическим и другим негативным воздействиям. В силу этого, представленные на сайте системы защиты кабеля соответствуют высоким нормам и требованиям безопасности, а также аспектам экологичности. В силу того, что кабель помещен именно внутрь кабельной цепи, какая бы то ни было нагрузка, приходится не на сам кабель, а на цепь.
Цена: от 2 630 руб.
Общее описание
Области применения системы защиты кабелей:
- Транспортное производство;
- Погрузочно-разгрузочная сфера;
- Области, занимающиеся упаковкой;
- Механизмы, отвечающие за безопасное и точное перемещение объектов;
- Козловые, портовые краны, системы питания кораблей;
- Различные виды конвейеров;
- Манипуляторы общепромышленного назначения;
- Подвесные системы складского типа;
- Области практически всей техники строительного характера.
СЕРИЯ TZ35

|
ТИП |
Внутренний диаметр |
Внешний диаметр |
Радиус |
Шаг |
Длина |
|---|---|---|---|---|---|
|
35.50 |
35×50 |
66×89 |
100.125 |
66 |
8 |
|
35.75 |
35×75 |
66×114 |
66 |
12 |
|
|
35.10 |
35×100 |
66×139 |
66 |
14 |
|
|
35.125 |
35×125 |
66×164 |
66 |
16 |
|
|
35.150 |
35×150 |
66×189 |
66 |
18 |
|
|
35.175 |
35×175 |
66×214 |
66 |
20 |
СЕРИЯ TZ35.60

|
Тип |
Внутренний диаметр |
Внешний диаметр |
Радиус |
Шаг |
Длина (м) |
|---|---|---|---|---|---|
|
35.60 |
35×60 |
59×103 |
100 |
66 |
10 |
СЕРИЯ TZ62.150

|
Тип |
Внутренний диаметр |
Внешний диаметр |
Радиус |
Шаг |
Длина (м) |
|---|---|---|---|---|---|
|
62.150 |
62×150 |
100×220 |
150 |
100 |
30 |
СЕРИЯ TZ38
|
Тип |
Внутренний диаметр |
Внешний диаметр |
Радиус |
Шаг |
Длина (м) |
|---|---|---|---|---|---|
|
38.100 |
38×100 |
66×129 |
100 |
68 |
15 |
СЕРИЯ TZ62
|
Тип |
Внутренний диаметр |
Внешний диаметр |
Радиус |
Шаг |
Длина (м) |
|---|---|---|---|---|---|
|
62.150 |
62×150 |
100×213 |
150 |
100 |
30 |
СЕРИЯ TZ45

|
Тип |
Внутренний диаметр |
Внешний диаметр |
Радиус |
Шаг |
Длина |
|---|---|---|---|---|---|
|
45.50 |
45×50 |
79×96 |
150.200 |
78 |
10 |
|
45.75 |
45×75 |
79×121 |
78 |
12 |
|
|
45.100 |
45×100 |
79×146 |
78 |
14 |
|
|
45.125 |
45×125 |
79×175 |
78 |
16 |
|
|
45.150 |
45×150 |
79×200 |
78 |
18 |
|
|
45.175 |
45×175 |
79×225 |
78 |
20 |
СЕРИЯ TZ56

|
Тип |
Внутренний диаметр |
Внешний диаметр |
Радиус |
Шаг |
Длина (м) |
|---|---|---|---|---|---|
|
56.100 |
56×100 |
97.5×159 |
150.200 |
95 |
15 |
|
56.125 |
56×125 |
97.5×184 |
95 |
20 |
|
|
56.150 |
56×150 |
97.5×209 |
95 |
25 |
|
|
56.175 |
56×175 |
97.5×234 |
95 |
30 |
|
|
56.200 |
56×200 |
97.5×259 |
95 |
30 |
|
|
56.250 |
56×250 |
97.5309 |
95 |
30 |